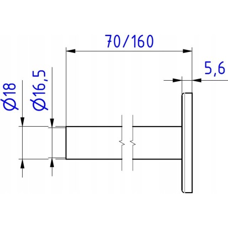
MK2 Przylgowy czujnik wykraplania wilgoci, długość 10 m możliwość zastosowania maks. 5 szt. 237,18 zł Dodaj do koszyka