Ferro KFP4 ZAWÓR KUL. WODNY Z RĄCZKA 1 1/4'' NAKR-NAKR, F-POWER // ZKW-32-WW-R-FER-POWER
Dostępność: W magazynie
Dostawa: Darmowaⓘ
56,83 zł
Brutto
Kategoria Zawory wodne i gazowe Marka Ferro
Zawór kulkowy z uchwytem 5/4" F-POWER Ferro
Parametry pracy i zakres stosowania
- ciśnienie nominalne: max. 3,0 MPa (30 bar)
- nazwiczna temperatura robocza: min -30°C, max. 120°C,
- medium robocze: woda (instalacje wodociągowe, ciepła woda użytkowa i ogrzewcza), max. 50% roztwór glikolu w wodzie, sprężone powietrze
- kurki posiadają Krajową Ocenę Techniczną wydaną przez Instytut Techniki Budowlanej w Warszawie stwierdzającą przydatność do stosowania w budownictwie oraz Atest Higieniczny wydany przez Państwowy Zakład Higieny w Warszawie.
Wykonanie i materiały
- kurki są wykonane w technologii ABT (Advanced Body Technology) łączącej zaawansowane rozwiązania konstrukcyjne i materiałowe
- materiał korpusu: mosiądz CW617N-4MS – najnowszy standard higieniczny
- wykończenie kuli: chromowane, polerowane
- uszczelnienia kuli: PTFE
- uszczelnienia trzpienia: PTFE
- stabilne i bezpieczne osadzenie trzpienia dzięki montażowi od wewnątrz zaworu
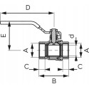
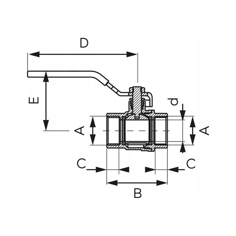
A: G 5/4
B: 79 mm
C: 14 mm
D: 116,5 mm
E: 70,5 mm
d: 32 mm
Kvs: 44,97 m3/h
Wykończenie
- Kurki są piaskowane i po tej operacji niklowane na zewnętrznych powierzchniach. Powierzchnie wewnętrzne i mogące mieć kontakt z wodą nie są niklowane
- Kurki posiadają indywidualne, demontowane zawieszki ze wszystkimi potrzebnymi danymi i parametrami pracy
- Kurki posiadają demontowalne gumowe opaski do identyfikacji montażu na rurze wody ciepłej/zasilaniu, lub zimnej/powrocie
1. Element umożliwiający kompensację luzów
2. Uszczelnienie trzpienia PTFE
3. Solidny korpus z mosiądzu CW617N-4MS
o obniżonej zawartości ołowiu i niklu
4. Maksymalne ciśnienie 30 bar
5. Maksymalna temperatura pracy 120°C
6. Chromowana kula
7. Przystosowane do wody pitnej
(powierzchnie kontaktu z czynnkiem pozbawione niklu)
Zalety
- przelot kurka bez jakichkolwiek zwężeń nie hamuje przepływu, pełny przelot zgodny z normą
- kurki dostosowane do wody pitnej – powierzchnia, która ma kontakt z wodą pitną (wnętrze kurka oraz gwinty przyłączeniowe) nie jest niklowana.
- mocna metalowa rączka
- element kompensacyjny umieszczony w trzpieniu umożliwia dostosowanie do ewentualnych luzów za pomocą zwykłego płaskiego klucza
- chromowana i polerowana kula odporna na tzw. „zapieczenie”
- grube ścianki i solidna konstrukcja – zwiększona trwałość i wytrzymałość
- kontrola jakości prowadzona ściśle według obowiązujących norm europejskich
- 100% wyprodukowanych kurków poddawanych jest kontroli szczelności
- na korpusach znajdują się trwałe oznaczenia wymagane przez normę
- kurki wyposażone w opaski do identyfikacji wody ciepłej/ zimnej lub zasilania/powrotu oraz zawieszki z kodami EAN i niezbędnymi danymi ułatwiającymi sprzedaż detaliczną
- użycie materiałów najwyższej jakości, dbałość o solidność wykonania, zastosowanie nowoczesnych technologii oraz wieloetapowa kontrola jakości spowodowały, że nowa linia F-Power została uhonorowana Złotym Godłem Quality International 2021
Opinie o sklepie
Opinie poniżej pochodzą z systemu ocen Zaufane.pl oraz Google Maps i zostały wybrane automatycznie spośród ponad 1600 opinii wystawionych przez naszych klientów. Prezentujemy te, które inni użytkownicy uznali za najbardziej pomocne.

Paweł K.★★★★★
Zamówienie złożone wieczorem, a paczka była u mnie następnego dnia po południu. Wszystko dobrze zapakowane, faktura na mailu. Sklep na duży plus.
👍 42 osoby uznały tę opinię za pomocną
Anna Z.★★★★★
Bardzo dobry kontakt telefoniczny, wszystko spokojnie wytłumaczone. Nie wciskają na siłę droższych rzeczy, tylko faktycznie doradzają co ma sens.
👍 31 osób uznało tę opinię za pomocną
Marek R.★★★★☆
Towar zgodny z opisem, ceny naprawdę w porządku. Jedna paczka dojechała dzień później niż planowane, ale to raczej wina kuriera. Sklep ok, będę wracał.
👍 19 osób uznało tę opinię za pomocną
Krzysztof L.★★★★★
Zamawiam tu trzeci raz dla ekipy. Wszystko oryginalne, dobrze zabezpieczone, numery seryjne nie powycierane jak to bywa w innych sklepach.
👍 27 osób uznało tę opinię za pomocną
Łukasz S.★★★★★
Bardzo szybka realizacja, paczkomat pod domem już następnego dnia. Wszystko się zgadzało z zamówieniem, żadnych braków czy zamian modeli.
👍 35 osób uznało tę opinię za pomocną
Piotr D.★★★★☆
Pierwsze zamówienie i ogólnie wszystko ok. Trochę dłużej czekałem na odpowiedź mailową, ale finalnie sprawa załatwiona pozytywnie, więc daje mocne 4 gwiazdki.
👍 14 osób uznało tę opinię za pomocną
Magdalena J.★★★★★
Sklep znaleziony przypadkiem w Google, ale zostaję na dłużej. Szybka wysyłka, infolinia odbiera, a paczka wyglądała jak „pancerna”.
👍 22 osoby uznały tę opinię za pomocną
Damian T.★★★★★
Duży wybór, normalne ceny, zero problemu z fakturą na firmę. Wszystko załatwione online bez zbędnego dzwonienia i proszenia się.
👍 29 osób uznało tę opinię za pomocną
Sylwia P.★★★★☆
Paczka dotarła lekko wgnieciona z zewnątrz i miałam stres, ale w środku wszystko całe. Sklep zareagował na moje zgłoszenie bardzo szybko, więc plus za obsługę.
👍 17 osób uznało tę opinię za pomocną
Rafał H.★★★★★
To już chyba moje piąte zamówienie w tym sklepie. Za każdym razem wszystko poszło sprawnie, ani razu nie musiałem reklamować.
👍 33 osoby uznały tę opinię za pomocną
Grzegorz N.★★★★★
Sprzęt dobrze opisany, zdjęcia faktycznie odpowiadają temu co przyszło. Nie ma sztucznego kombinowania „zdjęcie poglądowe” i potem coś innego.
👍 26 osób uznało tę opinię za pomocną
Kamil W.★★★★☆
Wszystko ok, tylko kurier przyjechał bardzo wcześnie rano, ledwo zdążyłem zejść. Poza tym sklep bez zarzutu, sprzęt oryginalny, gwarancja w pudełku.
👍 11 osób uznało tę opinię za pomocną
Patryk B.★★★★★
Obsługa na czacie pomogła mi dobrać zestaw pod konkretną pracę. Widać, że osoba po drugiej stronie faktycznie zna się na narzędziach, a nie tylko odpisuje z gotowca.
👍 38 osób uznało tę opinię za pomocną
Joanna C.★★★★★
Bardzo przejrzysta strona, łatwo znaleźć to, co potrzeba. Duży plus za dokładne filtry, bo nie muszę przeklikiwać się przez milion rzeczy.
👍 24 osoby uznały tę opinię za pomocną
Konrad M.★★★★★
Bardzo sprawny zwrot nadpłaty po zmianie zamówienia. Bez żadnego „proszę napisać osobne pismo”, tylko konkret i szybka reakcja.
👍 21 osób uznało tę opinię za pomocną
Piotr S.★★★★☆
Ogólnie sklep na plus, jedna z pozycji była chwilowo niedostępna, ale szybko zadzwonili z propozycją zamiany i dopłatą dosłownie kilku złotych.
👍 13 osób uznało tę opinię za pomocną
Dominika L.★★★★★
Doceniam, że informacja o dostępności była prawdziwa. Zamawiałam w innych sklepach i okazywało się, że „jednak nie ma na magazynie”. Tutaj takiej sytuacji nie było.
👍 30 osób uznało tę opinię za pomocną
Adrian O.★★★★★
Sklep działa szybko, panel klienta czytelny, wszystkie faktury można sobie pobrać z konta. Dla firmy budowlanej to mega wygodne.
👍 36 osób uznało tę opinię za pomocną
Karolina F.★★★★☆
Jeden z tańszych sklepów, jeśli chodzi o markowe elektronarzędzia. Opakowanie z zewnątrz mogłoby być trochę mocniejsze, ale nic się nie uszkodziło, więc jest ok.
👍 9 osób uznało tę opinię za pomocną
Janusz T.★★★★★
Sklep polecony przez znajomego z budowy. Teraz sam będę polecał dalej, bo takiej obsługi nie ma nawet w niektórych stacjonarnych hurtowniach.
👍 28 osób uznało tę opinię za pomocną
Radosław E.★★★★★
Realizacja zamówienia ekspresowa, do tego pełna informacja SMS o statusie paczki. Nie musiałem się zastanawiać gdzie jest moje zamówienie.
👍 23 osoby uznały tę opinię za pomocną
Ewelina K.★★★★★
Przy reklamacji jednego drobnego elementu nikt nie robił problemu. Szybko wysłali nowy, nawet bez konieczności odsyłania starego. Duży szacun.
👍 41 osób uznało tę opinię za pomocną
Bartłomiej J.★★★★☆
Wszystko ogarnięte, jedyny minus to to, że strona na telefonie czasem ładuje się trochę wolniej w sieci komórkowej. Poza tym naprawdę porządny sklep.
👍 12 osób uznało tę opinię za pomocną
Maciej C.★★★★★
Bardzo fajnie, że od razu widać czy towar jest na stanie, a nie „zapytaj o dostępność”. Dzięki temu można od razu planować pracę na budowie.
👍 25 osób uznało tę opinię za pomocną
Olga S.★★★★★
Kupowałam pierwszy raz narzędzia przez internet i trochę się bałam, ale wszystko dotarło w idealnym stanie. Nawet karton był nieporysowany.
👍 20 osób uznało tę opinię za pomocną
Sebastian P.★★★★☆
Sklep dobry, chociaż przydałoby się trochę więcej zdjęć przy niektórych produktach. Mimo to obsługa klienta wszystko mi dosłała na maila.
👍 10 osób uznało tę opinię za pomocną
Wojciech Z.★★★★★
Fajnie, że można zamówić do różnych punktów dostawy na jedną firmę. Dla mnie to duże ułatwienie, bo sprzęt jedzie od razu na konkretne budowy.
👍 32 osoby uznały tę opinię za pomocną
Justyna H.★★★★★
Obsługa kulturalna, żadnego „łaski nie robię” jak w niektórych sklepach. Wszystko rzeczowo, bez zbędnego przeciągania rozmowy.
👍 34 osoby uznały tę opinię za pomocną
Mariusz G.★★★★★
Świetny sklep dla wykonawców – mogą wystawić fakturę zbiorczą za kilka zamówień, co ułatwia mi rozliczenia. Sprzęt zawsze przychodzi zgodny z zamówieniem.
👍 37 osób uznało tę opinię za pomocną
Kinga P.★★★★★
Podsumowując: normalne ceny, szybka wysyłka, obsługa, która odpisuje i odbiera telefon. Tak powinien działać każdy sklep internetowy, szczególnie z narzędziami.
👍 45 osób uznało tę opinię za pomocną



